Zámok K220 K 77/72/55/20 L HOBES

Zámok K220 K 77/72/55/20 L HOBES

078123
Cena:
13,37 €s DPH
Jednotková cena: 13,37 €
Predajná jednotka: ks
Balené po: 25 ks
- +

Dostupnosť na pobočkách

BB 17 ks
KE 21 ks

Doplnkové informácie

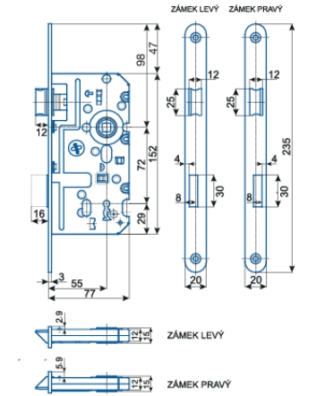
  • Zadlabací zámok slovenskej značky Hobes

  • Kľúčové prevedenie

  • Používa sa na ľavé dvere


  • Ako správne vybrať zadlabací zámok?
  • rozteč – vzdialenosť medzi stredom kľučky (osou štvorhranu) a stredom otvoru pre uzamykací mechanizmus (napr. pre cylindrickú vložku)

  • backset – vzdialenosť od čela zadlabacieho zámku k ose kľučky

  • hĺbka (šírka) zádlabu

  • výška čela

  • šírka čela

  • typ otvárania dverí – pravé alebo ľavé